logo

كابل تحكم ميكانيكي أحمر يتميز بوصلة شوكة ونطاق درجة حرارة من ناقص 40 درجة مئوية إلى 80 درجة مئوية مناسب للاستخدام الشاق

كابل تحكم ميكانيكي أحمر يتميز بوصلة شوكة ونطاق درجة حرارة من ناقص 40 درجة مئوية إلى 80 درجة مئوية مناسب للاستخدام الشاق
ميزات صالة عرض منتوج وصف طلب عرض أسعار
ميزات
مواصفات
Features: Custom Engineered Assembly
Color: Green,Black,Red
Port: Shanghai
Inner Cable: Multi-strand High-tensile Steel
Package: Wood Case / Carton / Bubble Film
Bus Model: China
Materia: As Per Requirements
Innermember: Nylon-covered Stainless Steel
إبراز:

كابل تحكم ميكانيكي أحمر مع وصلة شوكة,كابل تحكم ميكانيكي شديد التحمل,كابل تحكم ميكانيكي مقاوم لدرجة الحرارة

,

Heavy duty mechanical control cable

,

Temperature resistant mechanical control cable

معلومات اساسية
اسم العلامة التجارية: PHIDIX
Model Number: Mechanical Control Cable
شروط الدفع والشحن
منتوج وصف

وصف المنتج:

كابل التحكم الميكانيكي هو حل موثوق به ومتعدد الاستخدامات مصمم لتلبية مجموعة واسعة من التطبيقات الصناعية والتجارية. تم تصميمه بدقة ومتانة، ويوفر هذا الكابل أداءً استثنائيًا حتى في البيئات الصعبة. يتميز بنطاق درجة حرارة نموذجي من -65 درجة فهرنهايت إلى 230 درجة فهرنهايت، مما يضمن تشغيلًا ثابتًا في كل من الظروف الباردة الشديدة والحرارة العالية، مما يجعله مثاليًا للاستخدام في المناخات المتنوعة والإعدادات المتطلبة.

أحد أبرز سمات كابل التحكم الميكانيكي هذا هو تجميعه المصمم خصيصًا. يتم تصنيع كل كابل بدقة لتلبية متطلبات محددة، مما يسمح بحلول مخصصة تعالج احتياجات التشغيل الفريدة. سواء كنت بحاجة إلى طول أو قوة أو تكوين معين، يمكن تصميم هذا الكابل خصيصًا لتوفير وظائف وكفاءة مثلى. يضمن هذا النهج الهندسي المخصص أن يعمل الكابل بشكل لا تشوبه شائبة في تطبيقه المقصود، مما يقلل من وقت التوقف عن العمل ويعزز الموثوقية الإجمالية للنظام.

يتكون الجزء الداخلي للكابل من الفولاذ المقاوم للصدأ المغطى بالنايلون، والذي يجمع بين قوة ومقاومة التآكل للفولاذ المقاوم للصدأ مع الصفات الواقية للنايلون. يوفر هذا التصميم متانة ومرونة ومقاومة فائقة للتآكل والتآكل. لا يحمي الغلاف النايلون قلب الفولاذ المقاوم للصدأ من التلف البيئي فحسب، بل يقلل أيضًا من الاحتكاك، مما يضمن حركة ميكانيكية سلسة وفعالة. هذا يجعل الكابل مناسبًا بشكل خاص للتطبيقات التي تتطلب حركة متكررة أو مستمرة، مثل أنظمة كابلات السحب الميكانيكية.

ترميز الألوان هو ميزة مهمة أخرى لكابل التحكم الميكانيكي هذا، وهو متوفر باللون الأخضر والأسود والأحمر. تساعد خيارات الألوان هذه في التعرف السهل والتنظيم داخل الأنظمة الميكانيكية المعقدة، مما يقلل من أخطاء التثبيت ويبسط عمليات الصيانة. تحافظ الألوان الزاهية والمتينة على مظهرها بمرور الوقت، حتى عند تعرضها للعوامل البيئية القاسية، مما يضمن وضوحًا بصريًا طويل الأمد.

تم تصنيع كابل التحكم الميكانيكي هذا وفقًا لمعايير نموذج الحافلة في الصين، ويلتزم بإجراءات صارمة لمراقبة الجودة والمعايير الصناعية. يضمن الالتزام بالجودة أن يقدم كل كابل أداءً وموثوقية وسلامة متسقة. يمكن للعملاء الوثوق بأن استثمارهم في هذا المنتج سيوفر قيمة دائمة ويلبي أو يتجاوز توقعات التشغيل.

تم تصميم هذا المنتج ككابل سحب ميكانيكي، وهو يتفوق في نقل القوة الميكانيكية عبر مسافة، مما يجعله مكونًا أساسيًا في آليات التحكم المختلفة. سواء تم استخدامه في السيارات أو الآلات الصناعية أو المعدات البحرية أو الأنظمة الميكانيكية الأخرى، يوفر كابل التحكم الميكانيكي تحكمًا دقيقًا واستجابة. إن بنائه القوي وهندسته المخصصة تجعله قابلاً للتكيف مع مجموعة واسعة من التطبيقات، مما يعزز الكفاءة والفعالية الإجمالية للعمليات الميكانيكية.

باختصار، يبرز كابل التحكم الميكانيكي كخيار متميز لأي شخص يحتاج إلى كابل تحكم متين وموثوق وقابل للتخصيص. إن تحمله الواسع لدرجات الحرارة، وتجميعه المصمم خصيصًا، والجزء الداخلي من الفولاذ المقاوم للصدأ المغطى بالنايلون، وخيارات الألوان الزاهية تجعله حلاً متعدد الاستخدامات وموثوقًا. تم تصنيع هذا الكابل وفقًا لمعايير عالية تحت نموذج الحافلة في الصين، وهو مصمم لتقديم أداء ممتاز في بيئات متطلبة مختلفة. سواء تم استخدامه ككابل سحب ميكانيكي أو في تطبيقات تحكم أخرى، فإنه يوفر القوة والمرونة والدقة اللازمة لتحسين أنظمة التحكم الميكانيكي بفعالية.


الميزات:

  • اسم المنتج: كابل التحكم الميكانيكي
  • مناسب لتطبيقات التحكم بالسحب الميكانيكي
  • خيارات التعبئة: صندوق خشبي، كرتون، غشاء فقاعي
  • أنواع توصيل الكابلات المتاحة: وصلة كروية، شوكة، طرف قضيب، إلخ.
  • الجزء الداخلي مصنوع من الفولاذ المقاوم للصدأ المغطى بالنايلون لضمان المتانة
  • الألوان المتاحة: أخضر، أسود، أحمر
  • ميناء الشحن: شنغهاي
  • كابل تحكم ميكانيكي عالي الجودة مصمم لأداء موثوق

المعلمات الفنية:

المنفذ شنغهاي
OEM نعم
الكابل الداخلي فولاذ عالي الشد متعدد الخيوط
الميزات تجميع هندسي مخصص
نطاق درجة الحرارة -40 درجة مئوية إلى 80 درجة مئوية
نطاق درجة الحرارة النموذجي -65 درجة فهرنهايت — 230 درجة فهرنهايت
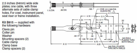
توصيل الكابل وصلة كروية، شوكة، طرف قضيب، إلخ.
التعبئة صندوق خشبي / كرتون / غشاء فقاعي
الحجم حجم قياسي OEM أو مخصص
نصف قطر الانحناء المثبت يصل إلى 5 بوصات

التطبيقات:

كابل التحكم الميكانيكي PHIDIX هو حل متعدد الاستخدامات وموثوق به مصمم لتلبية متطلبات تطبيقات التحكم الميكانيكي المختلفة. تم تصميم هذا الكابل بكابل داخلي من الفولاذ عالي الشد متعدد الخيوط، مما يضمن قوة ومتانة استثنائية، مما يجعله مثاليًا لعمليات السحب الميكانيكي الدقيقة والمتسقة. متوفر بأحجام قياسية OEM أو تكوينات مخصصة، يمكن تخصيص كابل التحكم الميكانيكي PHIDIX ليناسب المتطلبات المحددة، مما يوفر المرونة لمجموعة واسعة من الاستخدامات.

إحدى الميزات البارزة لكابل التحكم الميكانيكي PHIDIX هي قدرته على العمل بكفاءة ضمن نطاق درجة حرارة نموذجي من -65 درجة فهرنهايت إلى 230 درجة فهرنهايت. تسمح هذه القدرة الحرارية الرائعة له بالعمل بشكل موثوق في البيئات القاسية، من الظروف الخارجية الباردة إلى البيئات الصناعية ذات الحرارة العالية. يكتمل البناء القوي للكابل بمجموعة من توصيلات الكابلات، بما في ذلك خيارات الوصلة الكروية والشوكة وطرف القضيب، مما يتيح طرق تثبيت آمنة وقابلة للتكيف مناسبة لأنظمة ميكانيكية متنوعة.

متوفر بألوان زاهية مثل الأخضر والأسود والأحمر، لا يوفر كابل التحكم الميكانيكي PHIDIX فوائد وظيفية فحسب، بل يعزز أيضًا التعرف البصري والسلامة أثناء التركيب والصيانة. تمتد مناسبات تطبيقه عبر العديد من الصناعات، بما في ذلك السيارات والفضاء والبحرية والآلات الصناعية، حيث يعد التحكم الدقيق في الحبل الميكانيكي أمرًا بالغ الأهمية. سواء كان يتحكم في دواسة الوقود أو الفرامل أو الوصلات الميكانيكية الأخرى، فإن هذا الكابل يوفر أداءً سلسًا وسريع الاستجابة.

يتفوق كابل التحكم بالحبل الميكانيكي PHIDIX في السيناريوهات التي تتطلب تشغيلًا ميكانيكيًا موثوقًا ودقيقًا. يستخدم بشكل شائع في المعدات الثقيلة والآلات الزراعية وبناء المركبات المخصصة، حيث تعتبر حلول التحكم بالحبل الميكانيكي القوية ضرورية للكفاءة التشغيلية والسلامة. بالإضافة إلى ذلك، فإن حجمه القابل للتخصيص وخيارات التوصيل تجعله مناسبًا لمشاريع الهندسة المبتكرة وتطبيقات التحديث.

باختصار، يبرز كابل التحكم الميكانيكي PHIDIX كخيار عالي الأداء لاحتياجات التحكم بالسحب الميكانيكي والتحكم بالحبل الميكانيكي. إن مزيجه من المواد المتينة، والتحمل الواسع لدرجات الحرارة، والتجهيزات القابلة للتخصيص، ومجموعة خيارات الألوان تجعله مكونًا لا غنى عنه في مختلف السيناريوهات المتطلبة، مما يضمن تحكمًا ميكانيكيًا موثوقًا به في ظل ظروف تشغيل متنوعة.


التخصيص:

في PHIDIX، نقدم خدمات تخصيص شاملة للمنتجات لكابل التحكم الميكانيكي الخاص بنا، والمصممة لتلبية احتياجاتك الخاصة. تشمل حلول كابل السحب الميكانيكي لدينا خيارات توصيل كابلات مختلفة مثل الوصلة الكروية والشوكة وطرف القضيب والمزيد، مما يضمن التوافق وسهولة التركيب.

نوفر كابلات التحكم بالسحب الميكانيكي بحجم قياسي OEM أو بأبعاد مخصصة لتناسب تطبيقك تمامًا. كل كابل سحب ميكانيكي هو تجميع هندسي مخصص، مصنوع باستخدام مواد مختارة حسب متطلباتك لضمان المتانة والأداء.

تم تصميم كابل التحكم الميكانيكي الخاص بنا لتحمل نطاق درجة حرارة نموذجي من -65 درجة فهرنهايت إلى 230 درجة فهرنهايت، مما يجعله مناسبًا لبيئات التشغيل المتنوعة. ثق في PHIDIX لتخصيص كابل سحب ميكانيكي موثوق وعالي الجودة مصمم خصيصًا لمواصفاتك الدقيقة.


الدعم والخدمات:

تم تصميم كابلات التحكم الميكانيكي الخاصة بنا لتوفير تحكم دقيق وموثوق لمجموعة واسعة من الأنظمة الميكانيكية. لضمان الأداء الأمثل وطول عمر كابلات التحكم الخاصة بك، يرجى اتباع إرشادات التركيب والصيانة المتوفرة في دليل المنتج.

للتركيب، تأكد من أن مسار الكابل خالٍ من الانحناءات الحادة والالتواءات، وأن الكابل مشحم بشكل صحيح إذا لزم الأمر. تجنب التعرض للبيئات المسببة للتآكل ما لم يتم تحديد الكابل لمثل هذه الظروف.

يوصى بالفحص المنتظم للكابل بحثًا عن علامات التآكل أو التآكل أو التلف. استبدل الكابل فورًا إذا تم العثور على أي عيوب لمنع الفشل أثناء التشغيل.

فريق الدعم الفني لدينا متاح للمساعدة في استكشاف الأخطاء وإصلاحها، وتقديم المشورة بشأن التركيب، ومواصفات المنتج لمساعدتك في اختيار الكابل المناسب لتطبيقك.

نقدم أيضًا حلول كابلات مخصصة وخدمات إصلاح لتلبية متطلبات التحكم الميكانيكي الخاصة بك.

يرجى الرجوع إلى وثائق المنتج التفصيلية وتعليمات السلامة قبل الاستخدام لضمان التشغيل الآمن والفعال لكابلات التحكم الميكانيكي.


الأسئلة الشائعة:

س 1: ما هي التطبيقات المناسبة لكابل التحكم الميكانيكي PHIDIX؟

ج 1: كابل التحكم الميكانيكي PHIDIX مثالي لمختلف التطبيقات بما في ذلك السيارات والبحرية والآلات الصناعية والمعدات الزراعية حيث يلزم التحكم الميكانيكي الدقيق.

س 2: ما هي المواد المستخدمة في بناء كابل التحكم الميكانيكي PHIDIX؟

ج 2: يتميز كابل التحكم الميكانيكي PHIDIX بقلب من سلك فولاذي عالي الجودة مع أغلفة خارجية متينة مصنوعة من مواد مقاومة للتآكل لضمان طول العمر والأداء الموثوق.

س 3: كيف أحدد الطول الصحيح لكابل التحكم الميكانيكي PHIDIX لتطبيقي؟

ج 3: لتحديد طول الكابل الصحيح، قم بقياس المسافة الإجمالية بين ذراع التحكم والمكون الذي يتم تشغيله، بما في ذلك أي انحناءات أو مسارات توجيه. تقدم PHIDIX أيضًا خيارات طول مخصصة للمتطلبات المحددة.

س 4: هل كابل التحكم الميكانيكي PHIDIX سهل التركيب؟

ج 4: نعم، تم تصميم كابل التحكم الميكانيكي PHIDIX لتركيب مباشر مع تجهيزات قياسية متوافقة مع معظم أنظمة التحكم. يتم توفير تعليمات التركيب للمساعدة في الإعداد الصحيح.

س 5: هل يمكن لكابل التحكم الميكانيكي PHIDIX العمل بكفاءة في البيئات القاسية؟

ج 5: بالتأكيد. تم تصميم كابل التحكم الميكانيكي PHIDIX لتحمل الظروف البيئية القاسية مثل الرطوبة والغبار وتقلبات درجات الحرارة، مما يجعله مناسبًا للتطبيقات الصناعية والخارجية المتطلبة.


المنتجات الموصى بها
ابق على تواصل معنا
اتصل شخص : Ms. lisa
الهاتف : : 13816744282
الفاكس : 86-021-37214610
الأحرف المتبقية(20/3000)